iRAYPLE iRAYPLEオリジナル10MP センサーを搭載のUSB3.0カメラ。
iRAYPLE AH5A09MU200E AHシリーズ / USB3.0対応エリアセンサー産業用カメラ
- 仕様
- 周辺機器
- 資料ダウンロード
仕様
| 項目 | AH5A09MU200E 仕様 |
|---|---|
| ブランド | iRAYPLE |
| シリーズ | AH |
| 型式 | AH5A09MU200E |
| センサーメーカー | iRAYPLE |
| センサー | iRAYPLEオリジナル10MP |
| 解像度 MP | 10 |
| 解像度 H×V | 4096 × 2460 pix |
| センサーサイズ | 1″ |
| ピクセルサイズ | 3.45 × 3.45 µm |
| シャッター | Global |
| FPS | 38.4 |
| モノ/カラー | mono |
| IF | USB3.0 |
| レンズマウント | C |
| S/N比 | 41 |
| ダイナミックレンジ | 57 |
| ビニング | 対応 |
| ROI | 対応 |
| X Flip | 対応 |
| Y Flip | 対応 |
| ゲイン | 1~32 |
| ガンマ | 0~4、LUT対応 |
| 露光時間(s) | 60 μs ~ 10 sec |
| トリガーモード | Software Trigger/Hardware Trigger/Free Run Mode |
| 画素欠陥補正機能 | 対応 |
| ピクセルフォーマット | Mono 8/10/12, Bayer RG 8/10/10Packed/12/12Packed,YUV422_8_UYVY,YUV422_8,RGB8,BGR8 |
| イメージバッファ | 256MB |
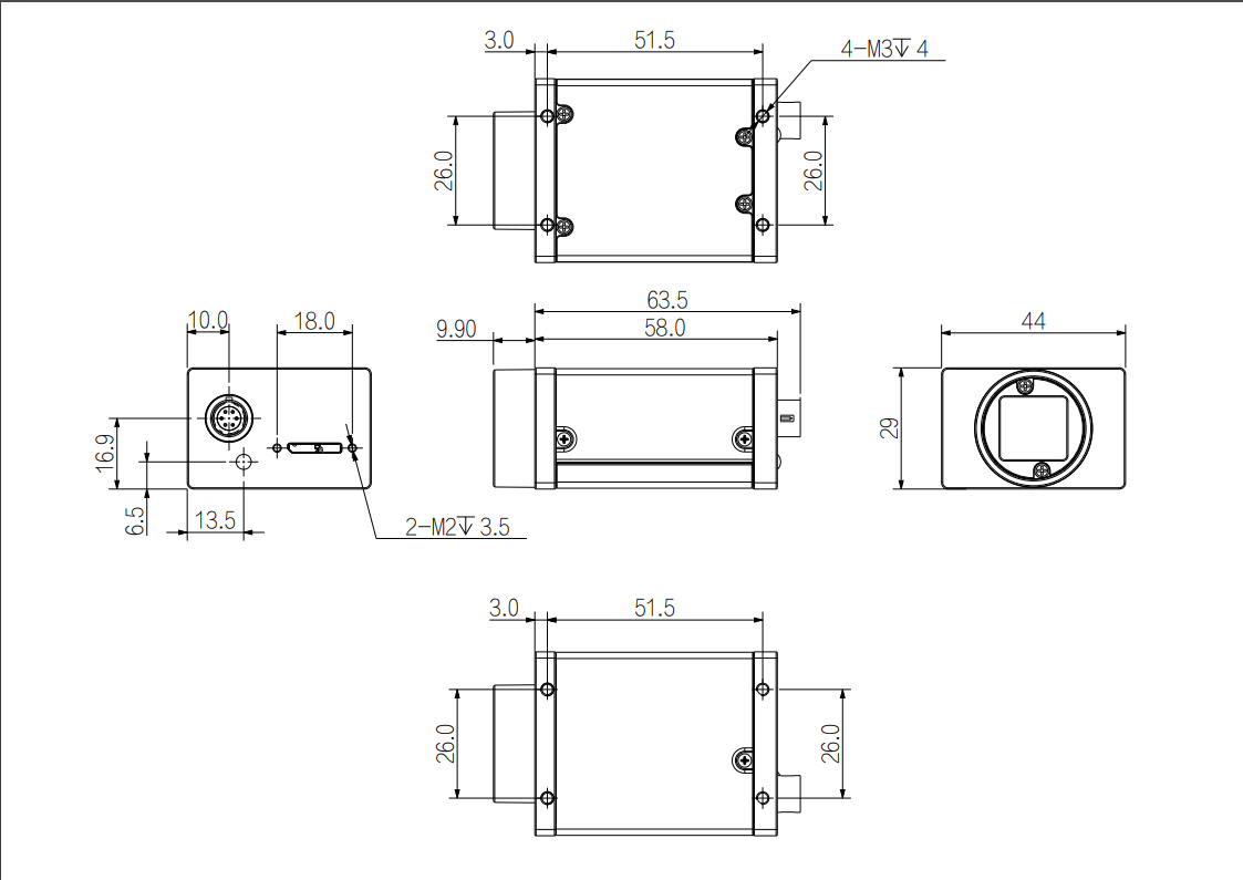
| 寸法 | 29mm×44mm×58mm |
| 適用温度 | 保管時:-30℃~80℃、動作時:0℃~50℃ |
| 重さ | 140 |
| IO | Hirose 6pin: 光結合I/O入力ライン×1, 光結合I/O出力ライン×1、設定可能な入力および出力×1 |
| 消費電力 | ≈3.1W |
| ドライバー | MV Viewer ドライバー |
周辺機器
レンズ
カメラケーブル
| ブランド | シリーズ | 型式 | ケーブル長 | 固定ネジ | 耐屈曲性 | シールド | コネクタ(カメラ側→ホスト側) | 備考 |
|---|---|---|---|---|---|---|---|---|
| iRAYPLE | USB3.0 Cable | C04-U3-AM-MicroB(N)-OF-5M | 5 m | あり | あり | あり | USB Micro-B→USB A | 光ファイバーケーブル、金属コネクタ |
| iRAYPLE | USB3.0 Cable | C04-U3-AM-MicroB(N)-OF-10M | 10 m | あり | あり | あり | USB Micro-B→USB A | 光ファイバーケーブル、金属コネクタ |
| iRAYPLE | USB3.0 Cable | C04-U3-AM-MicroB(N)-OF-10M | 10 m | あり | あり | あり | USB Micro-B→USB A | 光ファイバーケーブル、金属コネクタ |
| iRAYPLE | USB3.0 Cable | C04-U3-AM-MicroB(N)-OF-5M | 5 m | あり | あり | あり | USB Micro-B→USB A | 光ファイバーケーブル、金属コネクタ |
| iRAYPLE | USB3.0 Cable | C02-U3-AM-MicroB-3M | 3 m | あり | なし | あり | USB Micro-B→USB A | |
| iRAYPLE | USB3.0 Cable | C03-U3-AM-MicroB-3M | 3 m | あり | なし | あり | USB Micro-B→USB A | |
| iRAYPLE | USB3.0 Cable | C02-U3-AM-MicroB-1.5M | 1.5 m | あり | なし | あり | USB Micro-B→USB A |
IOケーブル
| ブランド | シリーズ | 型式 | ケーブル長 | 耐屈曲性 | コネクタ | 備考 |
|---|




