Onsemi AR2020 センサーを搭載のUSB3.0カメラ。
iRAYPLE AH3B01MU000E AHシリーズ / USB3.0対応エリアセンサー産業用カメラ
- 仕様
- 周辺機器
- 資料ダウンロード
仕様
| 項目 | AH3B01MU000E 仕様 |
|---|---|
| ブランド | iRAYPLE |
| シリーズ | AH |
| 型式 | AH3B01MU000E |
| センサーメーカー | Onsemi |
| センサー | AR2020 |
| 解像度 MP | 20 |
| 解像度 H×V | 5120 × 3840 pix |
| センサーサイズ | 1/1.8″ |
| ピクセルサイズ | 1.4 × 1.4 µm |
| シャッター | Rolling |
| FPS | 19.6 |
| モノ/カラー | mono |
| IF | USB3.0 |
| レンズマウント | C |
| S/N比 | 39 dB |
| ダイナミックレンジ | 61 dB |
| ROI | 対応 |
| X Flip | 対応 |
| Y Flip | 対応 |
| ゲイン | 1~32 |
| ガンマ | 0~4、LUT対応 |
| 露光時間(s) | 45 μs ~ 10sec |
| トリガーモード | Software Trigger/Hardware Trigger/Free Run Mode |
| 画素欠陥補正機能 | 対応 |
| ピクセルフォーマット | Mono8/10/10Packed/Mono12/Mono12Packed |
| イメージバッファ | 256MB |
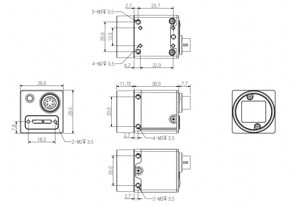
| 寸法 | 29 mm×29 m×30 mm |
| 適用温度 | 保管時:-30℃~80℃、動作時:−30℃~50℃ |
| 重さ | 85g |
| IO | Hirose 6pin:光結合I/O入力ライン×1、光結合I/O出力ライン×1、汎用I/O(GPIO)×1 |
| 電源電圧 | USBコネクタ経由電源供給/Hiroseコネクタ経由DC 9V~24V電源供給 |
| 消費電力 | ≈2.3W |
| ドライバー | MV Viewer ドライバー |
周辺機器
レンズ
カメラケーブル
| ブランド | シリーズ | 型式 | ケーブル長 | 固定ネジ | 耐屈曲性 | シールド | コネクタ(カメラ側→ホスト側) | 備考 |
|---|---|---|---|---|---|---|---|---|
| iRAYPLE | USB3.0 Cable | C04-U3-AM-MicroB(N)-OF-5M | 5 m | あり | あり | あり | USB Micro-B→USB A | 光ファイバーケーブル、金属コネクタ |
| iRAYPLE | USB3.0 Cable | C04-U3-AM-MicroB(N)-OF-10M | 10 m | あり | あり | あり | USB Micro-B→USB A | 光ファイバーケーブル、金属コネクタ |
| iRAYPLE | USB3.0 Cable | C04-U3-AM-MicroB(N)-OF-10M | 10 m | あり | あり | あり | USB Micro-B→USB A | 光ファイバーケーブル、金属コネクタ |
| iRAYPLE | USB3.0 Cable | C04-U3-AM-MicroB(N)-OF-5M | 5 m | あり | あり | あり | USB Micro-B→USB A | 光ファイバーケーブル、金属コネクタ |
| iRAYPLE | USB3.0 Cable | C02-U3-AM-MicroB-3M | 3 m | あり | なし | あり | USB Micro-B→USB A | |
| iRAYPLE | USB3.0 Cable | C03-U3-AM-MicroB-3M | 3 m | あり | なし | あり | USB Micro-B→USB A | |
| iRAYPLE | USB3.0 Cable | C02-U3-AM-MicroB-1.5M | 1.5 m | あり | なし | あり | USB Micro-B→USB A |
IOケーブル
| ブランド | シリーズ | 型式 | ケーブル長 | 耐屈曲性 | コネクタ | 備考 |
|---|





